Signal Follower Card Application Example
April 9, 2010Signal Isolation Card General Description
April 12, 2010Signal Follower Card
Model C10032-000
General Description•Standard Features•Specifications•Application Example•Dimensions/Connections
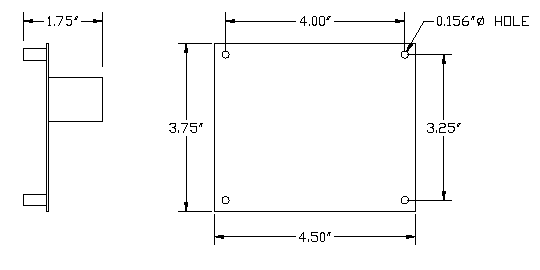
Dimensions/Connections


VIEW INSTRUCTION MANUAL
View Brochure
General Description•Standard Features•Specifications•Application Example•Dimensions/Connections
Back to System Interface Components • Back to Product Line
